免費定制方案 預約實地考察
- 粉體設備一站式服務
- 免費到廠參觀
- 60秒級人工響應
- 24小時提交方案







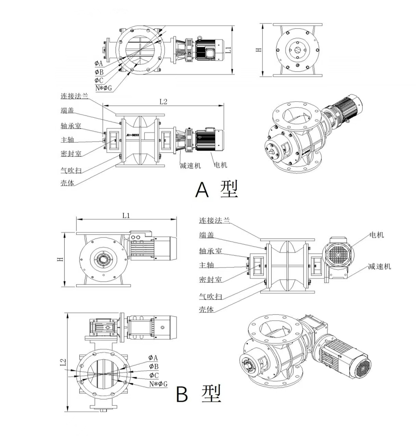
| 序號 | 型號 | 容積(升) | 處理能力(m3/h ) | 電機功率 | 安裝尺寸(mm) | 轉速(r/min) | 圖號 | ||||||||
| ΦA | ΦB | ΦC | N*ΦG | H | L1 | L2 | |||||||||
| 1 | DN150標準型 | 2L | 1.5 | 0.75kw | 150 | 200 | 240 | 8*Φ12 | 245 | 240 | 930 | 35 | A | ||
| 2 | DN150大肚型 | 4L | 3 | 0.75kw | 150 | 240 | 285 | 8*Φ22 | 320 | 580 | 560 | 24 | B | ||
| 3 | DN200標準型 | 6L | 4.5 | 0.75kw | 200 | 260 | 302 | 8*Φ14 | 310 | 560 | 630 | 35 | A | ||
| 4 | DN200大肚型 | 8L | 6 | 1.5kw | 200 | 295 | 340 | 8*Φ22 | 370 | 680 | 650 | 24 | B | ||
| 5 | DN250標準型 | 10L | 7.5 | 1.5kw | 250 | 300 | 350 | 8*Φ14 | 360 | 360 | 680 | 35 | A | ||
| 6 | DN250大肚型 | 12L | 9 | 1.5kw | 250 | 350 | 395 | 12*Φ22 | 408 | 720 | 650 | 24 | B | ||
| 7 | DN300標準型 | 14L | 12 | 2.2kw | 300 | 400 | 445 | 12*Φ22 | 400 | 780 | 780 | 24 | B | ||
| 8 | DN300大肚型 | 16L | 18 | 3.0kw | 300 | 400 | 445 | 12*Φ22 | 480 | 820 | 890 | 24 | B | ||
注:L1和L2,因安裝電機不同,以實際尺寸為準。
免費定制方案 預約實地考察
可按需定制,滿足您行業的特別需求和標準
01
了解需求02
確定需求03
簽訂合同04
如期生產05
配送安裝06
售后服務可按需定制,滿足您行業的特別需求和標準










實力品牌
豐富的行業經驗服務保障
提供完善的售前售后服務經驗豐富
服務客戶量超過1000家售后無憂
24小時一對一服務15836141199
掃一掃 關注我們
官方抖音